Шаблоны и темы вордпресс на wordpress-zone.ru
Skip to content
техпомощь22.рф
Автосервис с выездом
Позвонить
8 983 185 50 92

Primary Menu

  • Услуги
  • Блог
  • О нас
  • Контакты

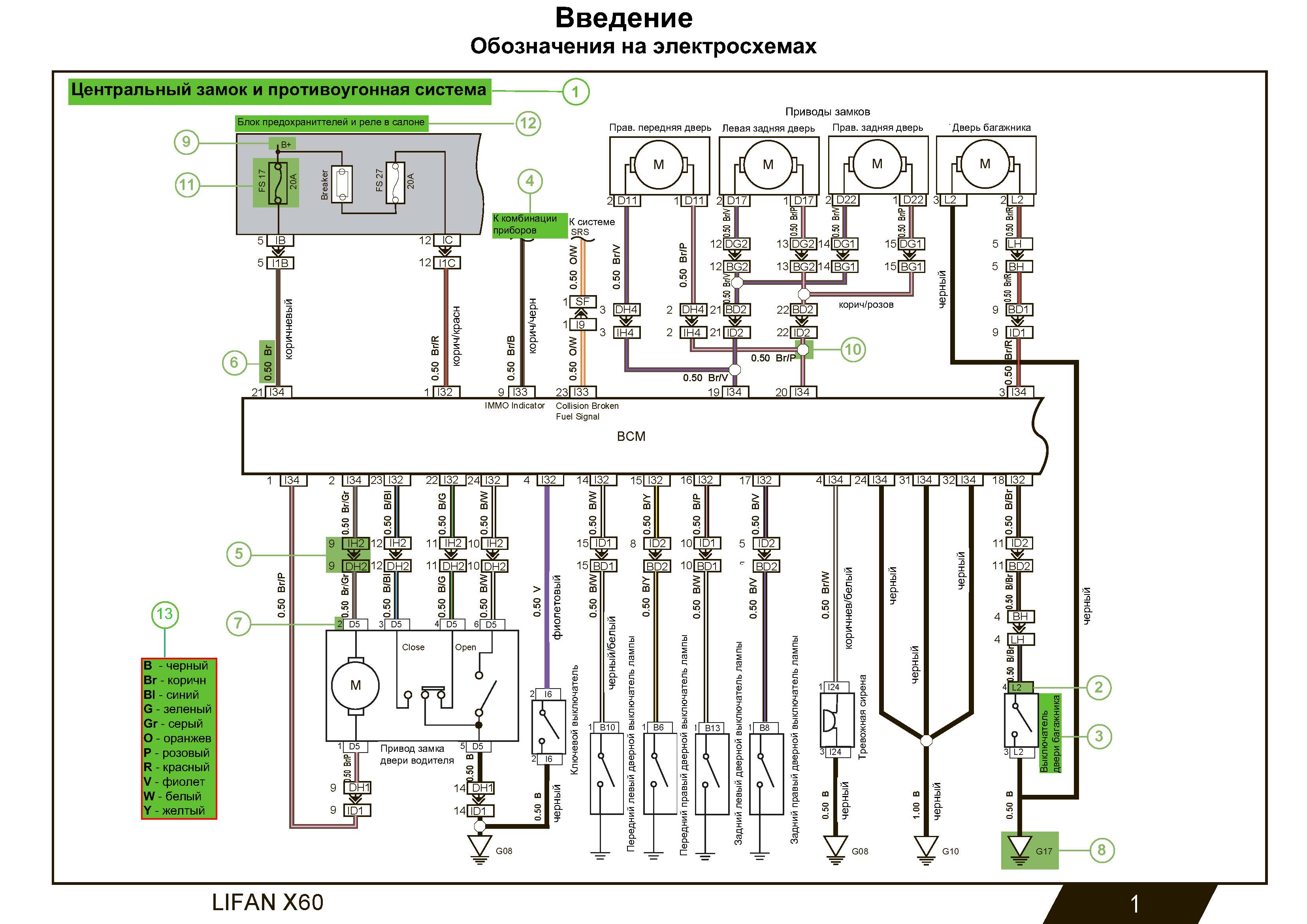
Электросхемы Lifan Х60

Posted on 03.01.201403.01.2026 by Admin

электросхемы Lifan Х60

X60 Электросхемы_Страница_002 X60 Электросхемы_Страница_003 X60 Электросхемы_Страница_004 X60 Электросхемы_Страница_005 X60 Электросхемы_Страница_006

X60 Электросхемы_Страница_007

Pages: 1 2 3 4 5 6 7 8 9
Posted in электросхемы

Навигация по записям

Установка камеры заднего вида в Барнауле.
Полезные советы владельцам мотоциклов
Техпомощь22 | Автосервис с выездом